上一篇 下一篇 分享链接 返回 返回顶部

瓦斯管主机:核心组件详解与功能解析手册

发布人:董事长 发布时间:2025-12-23 05:01 阅读量:108

瓦斯管主机:核心组件与功能解析

一、引言

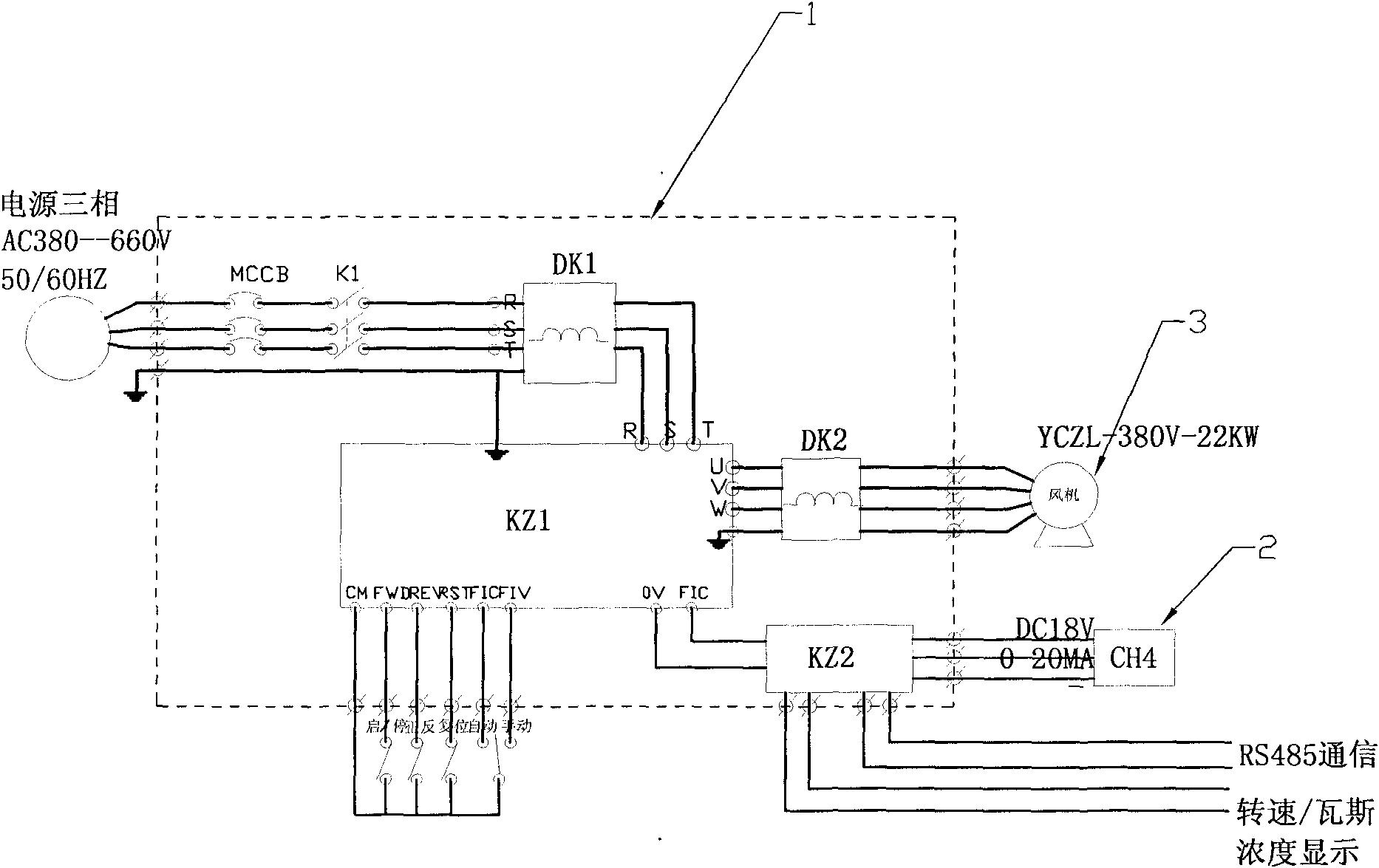
瓦斯管主机

随着科技的不断发展,瓦斯管主机在矿业、工业等领域的应用越来越广泛。作为关键设备之一,瓦斯管主机在确保安全生产、提高工作效率等方面发挥着重要作用。本文将详细介绍瓦斯管主机的核心组件及功能。

二、瓦斯管主机的核心组件

1. 控制模块

控制模块是瓦斯管主机的“大脑”,负责整个系统的运行控制和数据处理。通过先进的微处理器技术,控制模块可以实时监控各项参数,并根据预设值自动调整设备工作状态。

2. 传感器阵列

传感器阵列是瓦斯管主机的重要组成部分,包括气体浓度传感器、温度传感器、压力传感器等。这些传感器负责采集环境中的实时数据,为控制模块提供决策依据。

3. 瓦斯处理单元

瓦斯处理单元是瓦斯管主机的核心部分之一,主要负责气体的抽取、净化与排放。该单元采用高效过滤材料和先进的设计理念,确保排放气体的安全性。

4. 显示屏与操作界面

显示屏与操作界面是瓦斯管主机的人机交互部分,通过直观的图形界面,操作人员可以实时了解设备的工作状态、环境参数等信息,并进行相应的操作与控制。

三、瓦斯管主机的功能解析

1. 瓦斯检测与报警

瓦斯管主机可以实时监测环境中的瓦斯浓度,当浓度超过预设值时,会自动触发报警系统,提醒操作人员采取相应措施。

2. 自动控制

通过控制模块,瓦斯管主机可以实现自动化运行。根据预设的程序或操作人员的指令,设备可以自动调整工作状态,以满足不同的生产需求。

3. 数据记录与分析

瓦斯管主机可以记录环境中的实时数据,包括气体浓度、温度、压力等。这些数据可以通过分析软件进行处理,帮助操作人员了解环境状况,优化生产流程。

4. 远程监控与操控

部分高级型号的瓦斯管主机具备远程监控与操控功能,通过互联网技术,可以实现设备的远程管理,提高工作的便捷性。

四、结语

瓦斯管主机作为矿业、工业等领域的重要设备,其性能与质量直接关系到安全生产与工作效率。了解瓦斯管主机的核心组件与功能,有助于操作人员更好地使用与管理设备,提高生产效益。

目录结构
全文