上一篇 下一篇 分享链接 返回 返回顶部

“解析汽车防盗汽主机接线图:从入门到精通”

发布人:董事长 发布时间:2026-01-03 02:00 阅读量:217

汽车防盗汽主机接线图解析

本文将针对汽车防盗汽主机的接线图进行详细解析,以帮助大家了解和掌握如何安装和使用防盗主机。内容涉及到专业知识,确保语言的准确度和规范性,并且足够浅显易懂,适用于汽车爱好者。在此提示一下后续描述涉及的详细安装细节和安全措施请您遵守。对于每一个安全工程都建议参考厂家的推荐操作和保养指示进行作业。请不要在未获专业人员同意下进行自行修理和改装工作,以避免造成不必要的安全风险。让我们开始。

汽车防盗汽主机接线图

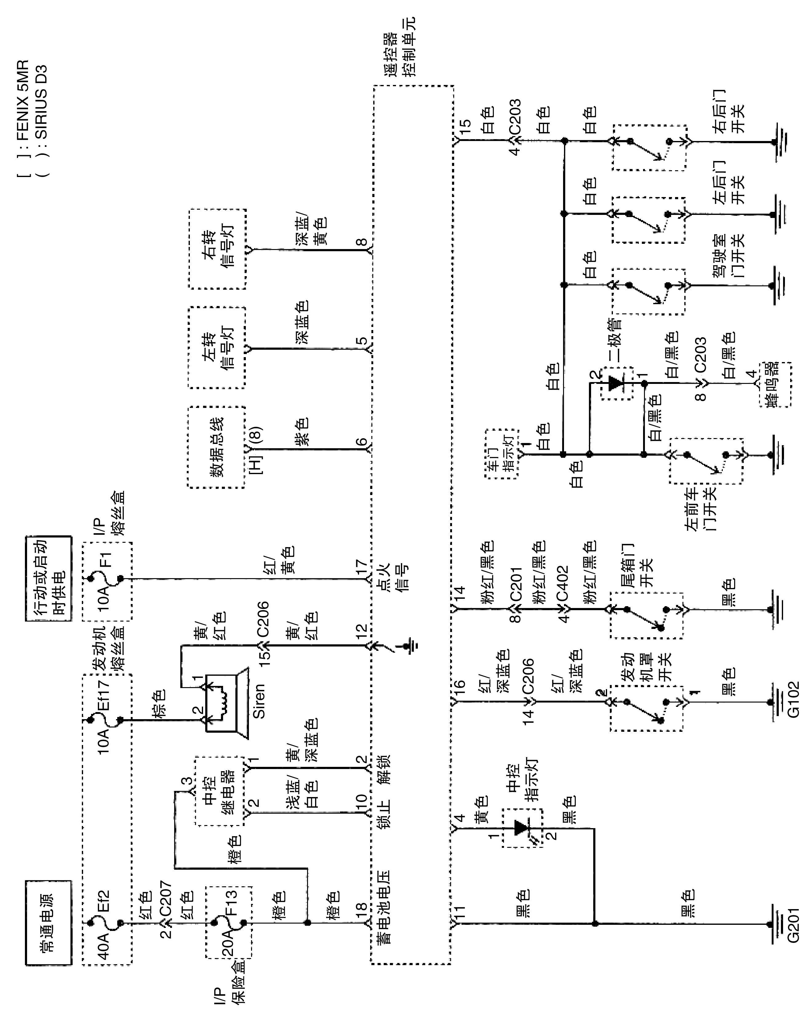
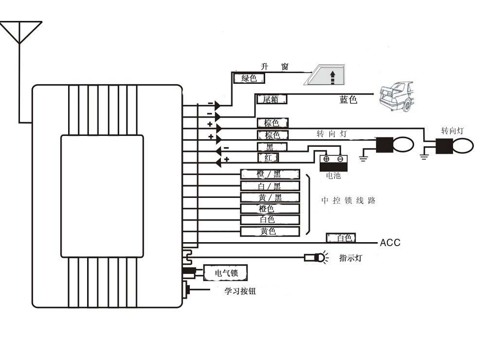
一、防盗汽主机接线图概述 汽车防盗汽主机是保证车辆安全的重要部分,其主要接线图是描述防盗主机与车辆其他部分的电气连接关系。在安装防盗主机时,需要依据接线图正确连接各个线路,以确保防盗主机的正常工作。以下是一个基本的接线图解析。

汽车防盗汽主机接线图

二、接线图主要组成部分及功能 防盗汽主机的接线图主要包括电源、地线、信号线等部分。电源为防盗主机提供电力,保证主机能够正常工作;地线用于将主机的电气信号接入车身;信号线则负责连接主机与车辆的其它控制单元,如发动机控制单元等。在接线图中,每个部分都有明确的标识和说明。

汽车防盗汽主机接线图

三、接线步骤及注意事项 在接线时,需要按照接线图的顺序进行连接,确保每个线路的连接正确无误。同时,应注意以下几点:首先,确保电源和地线的连接稳定可靠;其次,信号线的连接应保证接触良好;最后,接线过程中应注意避免短路和断路等问题。在安装完成后,应进行测试以确保防盗主机的正常工作。

四、常见问题及解决方案 在安装和使用过程中可能会遇到一些问题,如线路连接错误、主机无法正常工作等。此时应首先检查接线是否正确,如有问题应及时更正;如问题依然存在,请联系专业技术人员进行检查和维修。同时请注意,对于任何涉及到汽车电路的问题都应寻求专业人员的帮助。此外还需要定期对防盗主机进行保养和检查以确保其长期稳定运行。以上就是关于汽车防盗汽主机接线图的解析希望对您有所帮帮助。

目录结构
全文